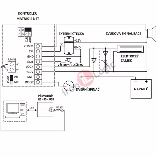
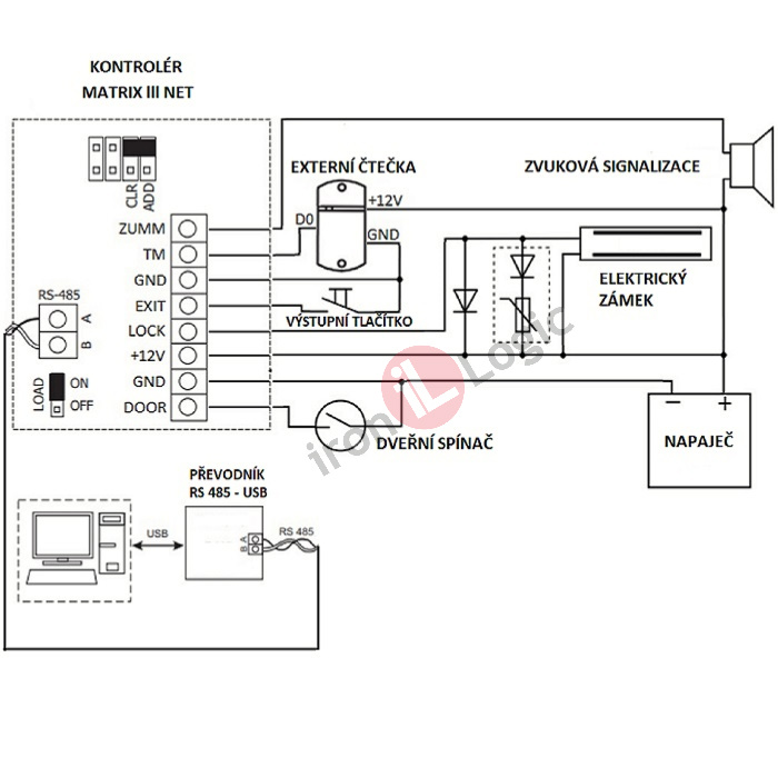
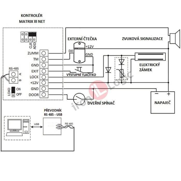
Kontrolér síťový s integrovanou čtečkou je součástí přístupového systému. Obsahuje potřebnou elektroniku a svorkovnice pro připojení napájení, elektrického zámku a dalších zařízení. V paměti kontroléru jsou uložena identifikační data jednotlivých čipů. Načítání nebo mazání čipů v paměti kontroléru a nastavování základních uživatelských parametrů můžeme provádět pomocí MASTER KARTY nebo propojek na kontroléru. Pokud používáme k administraci dat počítačový software používáme pro přenos dat mezi kontrolérem a počítačem převodníky nebo vybrané typy načítacích čteček. Tomu odpovídá i způsob připojení k počítači. Používají se kabely USB, MICRO USB, kabely s koncovkami RJ 45 nebo speciálními konektory. Načtení identifikačních dat čipů při administraci usnadňuje použití načítací čtečky. Při výpadku napájení zůstanou data v kontroléru.

Kontrolér čtečka MATRIX lll NET DG síťový tmavá šedá 13,56 MHz RFID IRON LOGIC

Katalogové číslo MATRIX-lll-NET-DG
Výrobce IRON LOGIC
Dostupnost skladem
Poplatky RF: 0,60 Kč | AF: 0,00 Kč
Cena bez DPH pro zobrazení se přihlašte
Cena s DPH 21 % pro zobrazení se přihlašte

Kontrolér čtečka MATRIX lll NET-DG síťový tmavá šedá, 13,56 MHz RFID kontrola vstupu IRON LOGIC.


Základní vlastnosti a provedení:
kontrolér včetně čtečky 
podpora technologie MIFARE 13,56 MHz
síťové provedení
provoz v off-line i online režimu
při použití čipů jiných výrobců ověřit kompatibilitu
informativní rozměry
- krytu se čtečkou 115 x 75 x 22 mm
materiál krytu ABS polymer  
Protokol externích čteček 1-wire(TM)
Možnost připojit jednu externí čtečku nebo jednu externí čtečku a odchozí tlačítko
ovládání elektrických zámků
- elektromagnetický
- elektromechanický
- doba otevření zámku 0,1 až 22 s (nastavení z výroby 3 s)
Konektory (svorky) pro připojení
- napájení
- externí čtečky
- externích zařízení
- k počítači přes adapter RS 485/USB
Balení obsahuje:
Kontrolér čtečka MATRIX lll NET-B síťový tmavá šedá
příbal
Krajina původu: EU
Záruční doba: 2 roky
 
Technické parametry:
Paměť počet čipů – pro platební systémy
paměť událostí – pro platební systémy
čtecí protokol
- čtečka – čip do 6 cm
Identifikátor
- klíčenka, čip, karta EM MARINE 125 kHz
napájení
- 9 – 16 V DC (jmenovité 12 V DC)
- spotřeba proudu 70 mA při 12 V
maximální proud pro elektrický zámek 5 A
počet kontrolérů v síti – až 255
síťová adresa nastavená z výroby – 1
rychlost připojení – 19200 Kbps, 57600 Kbps
paměť EEPROM
hodiny reálného času (záloha baterie CR 2032)
optická a zvuková signalizace
Montáž:
vzdálenost čtečka – kontrolér
- čtecí protokol 1-wire (TM) – délka kabelů do 15 m
vzdálenost kontrolér – adapter
- převodník RS 4858/USB – délka kabelů do 100 m
vhodná do interiéru i exteriéru
programování kontroléru
- pomocí master karty
- pomocí přepínačů na kontroléru
- pomocí adapteru a PC software
Připojení externích zařízení:
- externí čtečka pro čipy 13,56 MHz MIFARE
- světelná a zvuková signalizace
- výstupní tlačítko
- elektrický zámek
- dveřní kontakt (senzor)
- adapter (programátor)
Díly pro vytvoření sestavy:
kontrolér
čtečka čipů
čtečka načítací
převodník (redukce RS 485/USB)
napájení
počítač pro práci s kontrolérem
RFID čip klíčenka
Provozní prostředí:
teplota -30°C až +40°C
nevhodná montáž do prostředí s vibracemi, teplotami mimo rozsah, s výpary kyselin, žíravin